Skip to content
View in the app

A better way to browse. Learn more.

Mopar1973Man.Com LLC

A full-screen app on your home screen with push notifications, badges and more.

To install this app on iOS and iPadOS
  1. Tap the Share icon in Safari
  2. Scroll the menu and tap Add to Home Screen.
  3. Tap Add in the top-right corner.
To install this app on Android
  1. Tap the 3-dot menu (⋮) in the top-right corner of the browser.
  2. Tap Add to Home screen or Install app.
  3. Confirm by tapping Install.

2002 Dodge Ram 3500 24v manual- Issues - Need Help Please!

Hello everyone,

I have a 2002 Dodge Ram 3500 24v manual that has an issue I can't seem to figure out. Hoping y'all can help a brother out. It has the following issues:

  • 2 codes randomly: P0121 & P0123

  • Temperature gauge goes to hot

  • The engine won't shut off with the ignition key.

The following troubleshooting has been done:

  • Checked engine wiring harness - no faults found.

  • Had the PCM and ECM checked by 3rd party companies - no faults found

  • Replaced injection pump

  • Replaced alternator

  • Replaced ignition switch

Please feel free to ask me any questions. But really looking for some help as I'm at a loss of where to check next.

Thanks!

Edited by mopar dude
Topic updated

  • Replies 15
  • Views 466
  • Created
  • Last Reply

Top Posters In This Topic

Posted Images

Featured Replies

1 hour ago, mopar dude said:
  1. 2 codes randomly: P0121 & P0123

P0121 - Accelerator Pedal Position Sensor Signal Volts

Do Not Agree w/Idle Validation Signal

P0123 - Accelerator Pedal Position Sensor Signal Voltage

Too High

Any history on how many miles or age on the APPS?

2 hours ago, mopar dude said:

Temperature gauge goes to hot

Need more detail here. Does this happen immediately when the key is turn on or when the engine is started? What is "hot"? - 200°...., 220°?..., pegged?

Are any other gauges being affected when this happens?

2 hours ago, mopar dude said:

The engine won't shut off with the ignition key

Does this happen every time? How are you shutting the engine off when it does happen?

Please give more detail about the history of your truck (ownership, miles, problems, etc). Did the 3 listed issues just start all at once , or come on gradually and separately? How well does the engine run as far as performance on the road?

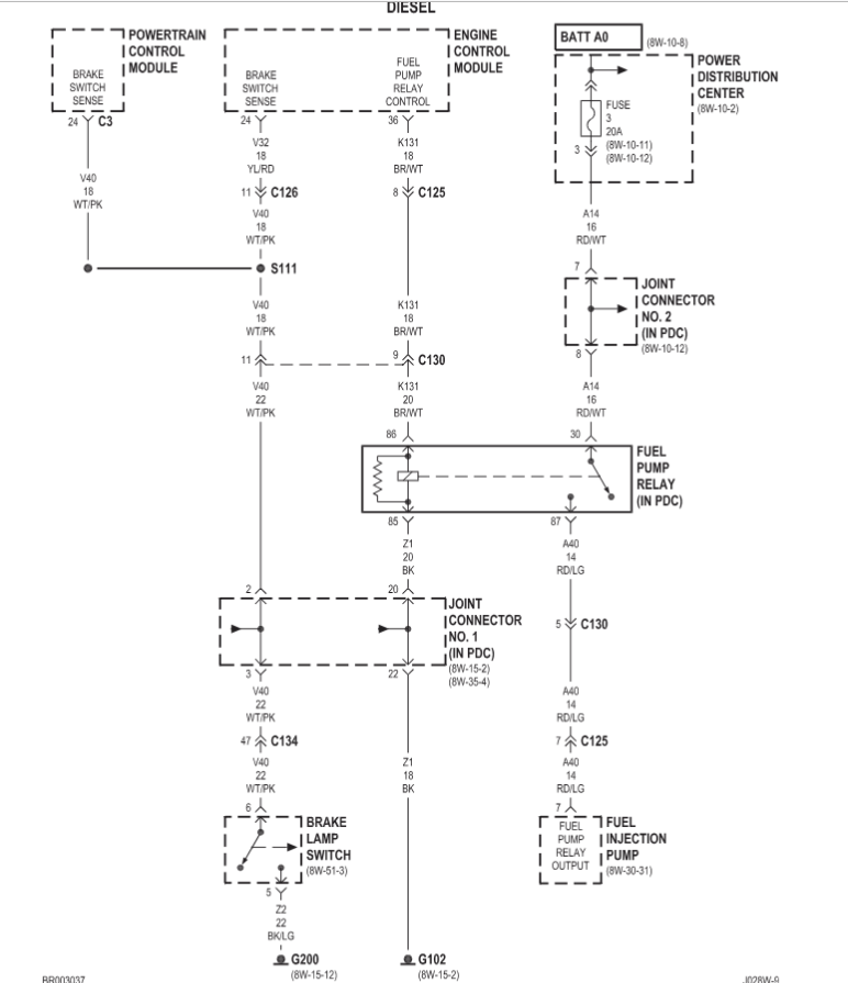
The ECM switches off the fuel solenoid in the VP44 via the fuel pump relay in the PDC (power distribution panel under the hood) when the ignition switch is turned off.

  • John

  • Author

Thank you for responding. Below are the answers to the questions. Please ask more if more clarification is needed. I appreciate the help.

P0121 - Accelerator Pedal Position Sensor Signal Volts

Do Not Agree w/Idle Validation Signal

P0123 - Accelerator Pedal Position Sensor Signal Voltage

Too High

Any history on how many miles or age on the APPS? - I forgot to put that I have replaced the APPS also.


Need more detail here.

Does this happen immediately when the key is turn on or when the engine is started? - The issue is intermittent and happens when the key is turned on and engine is running.

What is "hot"? - 200°...., 220°?..., pegged? - The needle pegs to max.

Are any other gauges being affected when this happens? - No other gauges are being affected. Only temp gauge.

Does this happen every time? - No, this happens intermittently

How are you shutting the engine off when it does happen? - I have to put the truck in gear and stall it in order to turn it off.

Please give more detail about the history of your truck (ownership, miles, problems, etc).

I've owned the truck for over 10 years with no issues. Truck has 320k+ miles, ran good until this started happening last November.

Did the 3 listed issues just start all at once , or come on gradually and separately? These issues came on all at once a few months back. Over time, the intermittent frequency has increased and gotten worse.

How well does the engine run as far as performance on the road? - Truck has plenty of power apart from when these intermittent issues occur.

Edited by mopar dude

I appreciate you answering all of the questions. It may take awhile to figure this one out.

Meanwhile, here is something that you can do next time the engine won't shut off. In preparation to perform the following test, locate and mark the fuel pump relay in the PDC. Have a digital volt meter handy to perform an electrical test.

The test - the next time the engine won't shut off, leave the engine running with the ignition switch in the "off" position. Tap on the fuel pump relay to see if the engine shuts off. If the engine continues to run, then remove the relay. The engine should turn off. Using a DVM, check for voltage at Pin # 86 of the relay. There should be no voltage present. If this is the case, try swapping the fuel pump relay with another like relay in the PDC.

If there is voltage present at Pin # 86, then this is why the engine won't shut off. Power to Pin # 86 comes directly from the ECM. Something is telling the ECM to power the fuel pump relay. More diagnosis required.

image.png

Have you heard of, or performed the W-T ground reference modification? This mod deals with potential ground problems with the VP44, ECM, PCM, and PDC.

  • John

  • Author

Hi John,

I have not heard of the W-T ground reference modification? But I'll check that out tonight.

I did start the truck when I got home tonight a few times, and the engine shut off with the key. I hope to work on the truck more on Sunday. I did notice, when I went to start it the first time when I got home, the temp gauge went to hot and the dash flashed p0121 and p1693. This is the first time I have noticed the dash flashing the codes up. After about 1or 2 minutes, the temp gauge dropped back down. When the temp gauge does this, that's when it sets a code and I have a dead gas peddle.

Thanks again for sticking with me. Appreciate it.

43 minutes ago, mopar dude said:

I did notice, when I went to start it the first time when I got home, the temp gauge went to hot and the dash flashed p0121 and p1693. This is the first time I have noticed the dash flashing the codes up

You may not be aware, but if you cycle the key switch to the "on" position three times fairly quickly and then leave the key switch in the "on" position, you can read codes from the odometer. This may be what happened to you. The first codes will be from the PCM, then a pause, then codes from the ECM.

  • John

  • Owner
On 2/5/2026 at 6:38 PM, mopar dude said:

Hello everyone,

I have a 2002 Dodge Ram 3500 24v manual that has an issue I can't seem to figure out. Hoping y'all can help a brother out. It has the following issues:

  • 2 codes randomly: P0121 & P0123

  • Temperature gauge goes to hot

  • The engine won't shut off with the ignition key.

The following troubleshooting has been done:

  • Checked engine wiring harness - no faults found.

  • Had the PCM and ECM checked by 3rd party companies - no faults found

  • Replaced injection pump

  • Replaced alternator

  • Replaced ignition switch

Please feel free to ask me any questions. But really looking for some help as I'm at a loss of where to check next.

Thanks!

Could you grab a live data tool and check the IAT temperature with the ECT temperature and see if it a real temperature issue or not (electrical problem maybe?)

As for the engine not shutting off there is some sort of electrical issues that is keeping the ignition up. I can say if there is a Quadzilla tuner on board and you happened to jump start your dead battery you could of shorted out the Quadzilla, and the engine will not shut off till you unplug the Quadzilla tuner.

  • Author

I finally had time to start the truck yesterday morning. It was 32F outside. Started the truck and let it warm up 10 minutes. Truck ran ok. Looked at live data: ECT was 108F, IAT was 100F. I backed up the truck, put in 1st gear and went to accelerate, then check engine light came on. Engine started surging. I looked at live data and the ECT & IAT were -40F for about a minute or so. The code P0123 appeared.

  • Author

I will recheck the engine wiring harness this weekend, i have had the ECM checked by ACS and they said ECM is good no fault found, maybe i should just look for a new ECM.

  • Author

Ok. I performed the W-T ground reference modification this weekend. I inspected and tested every wire on the engine harness. Everything looks and tests good. I then reinstalled engine harness. Started the truck, it ran ok for a few minutes, then check engine light came on: P0123. Both coolant and intake IAT, both went to -40. Tried to turn the truck off but engine kept running with ignition off. Removed fuel pump relay and that is when the engine shut off. Swapped relay, started the truck and it did the same thing (engine would not shut off with ignition). I cleared check engine light, started the truck next day (today), truck ran fine for approximately 10 minutes, then threw P0123 & codes for air temperature sensor, coolant temperature sensor, and P0606 ECM processor. Also, not sure if this is normal, but I did notice that grid heaters cycle on and off for first 5 minutes of engine running. Any more ideas are appreciated. Thanks!

  • Staff
5 hours ago, mopar dude said:

Both coolant and intake IAT, both went to -40

That is caused by high resistance by either open circuit or a bad ground. OHM test those circuits for a problem it might help you with the other problems.

  • Author

i have OHM tested the circuits and everything tests good< the black and blue wire that the sensors use for ground goes everywhere i cannot find a schematic of where it goes after the engine harness ? Do u know if the grid heaters should cycle on and off when the engine is running for the first few minutes ? thanks for your time.

Do u think the p0606 code is cos of a short or bad ground too

On 2/19/2026 at 8:06 PM, mopar dude said:

i have OHM tested the circuits and everything tests good< the black and blue wire that the sensors use for ground goes everywhere i cannot find a schematic of where it goes after the engine harness ? Do u know if the grid heaters should cycle on and off when the engine is running for the first few minutes ? thanks for your time.

Do u think the p0606 code is cos of a short or bad ground too

I dont believe the grid heaters cycle after the truck is running. Did you do the wiggle test along the entire harness checking for shorts and voltage?

Yes grid heaters cycle after truck is running, you can watch your amp gauge and see it.

Account

Navigation

Search

Search

Configure browser push notifications

Chrome (Android)
  1. Tap the lock icon next to the address bar.
  2. Tap Permissions → Notifications.
  3. Adjust your preference.
Chrome (Desktop)
  1. Click the padlock icon in the address bar.
  2. Select Site settings.
  3. Find Notifications and adjust your preference.